
1/6

2/6

3/6

4/6

5/6

6/6
在线预览结束,喜欢就下载吧,查找使用更方便
安全评价三级考试真题.doc
在线预览结束,喜欢就下载吧,查找使用更方便
相关资料
安全评价三级考试真题.doc
安全评价师鉴定真题三级.pdf
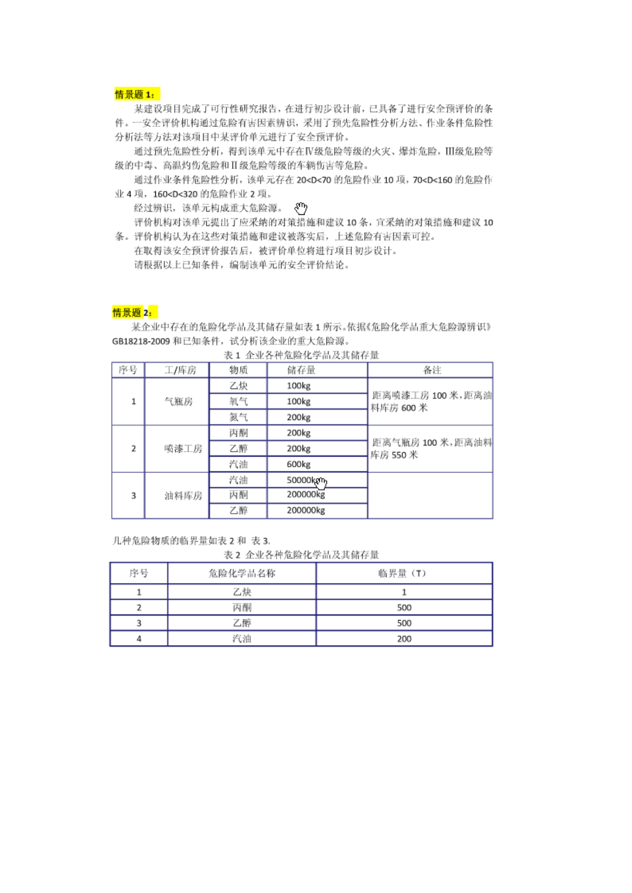
2010年鉴定题型(三级)情景题:某建设项目完成了可行性研究报告,在进行初步设计前,已具备了进行安全预评价的条件。一安全评价机构通过危险有害因素辨识,采用了预先危险性分析方法、作业条件危险性分析法等方法对该项目中某评价单元进行了安全预评价。通过预先危险性分析,得到该单元中存在Ⅳ级危险等级的火灾、爆炸危险,Ⅲ级危险等级的中毒、高温灼伤危险和Ⅱ级危险等级的车辆伤害等危险。通过作业条件危险性分析,该单元存在20<D<70的危险作业10项,70<D<160的危险作业4项,160<D<320的危险作业2项。经过辨识