预览加载中,请您耐心等待几秒...
1/10
2/10
3/10
4/10
5/10
6/10
7/10
8/10
9/10
10/10

亲,该文档总共92页,到这已经超出免费预览范围,如果喜欢就直接下载吧~

如果您无法下载资料,请参考说明:

1、部分资料下载需要金币,请确保您的账户上有足够的金币

2、已购买过的文档,再次下载不重复扣费

3、资料包下载后请先用软件解压,在使用对应软件打开

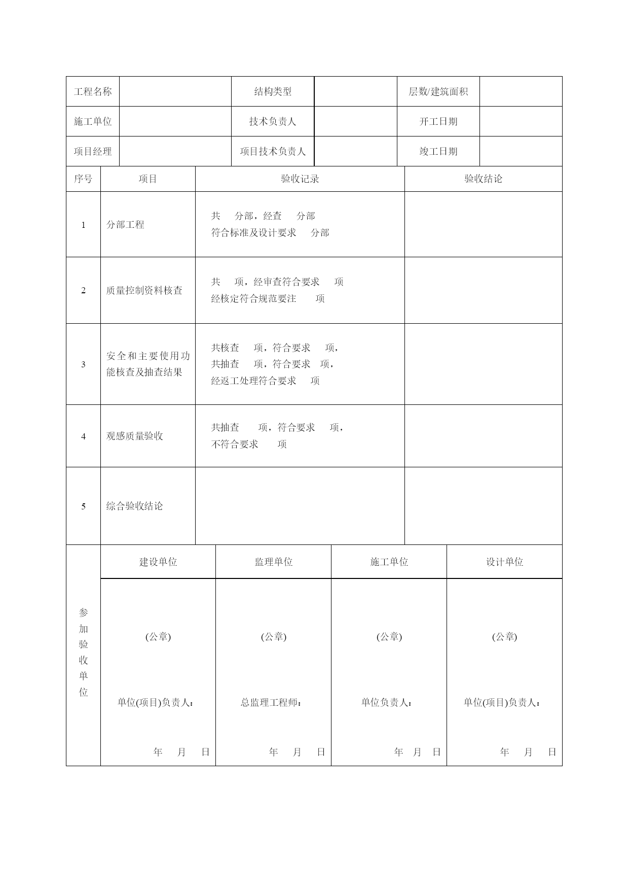
竣工验收资料表格汇总优质资料(可以直接使用,可编辑优质资料,欢迎下载)1、工程开工申请表2、开工报告TJ1.63、工程进度计划报审表4、装饰分部工程质量验收记录TJ5、单位(子单位)工程质量竣工验收记录TJ6、单位工程观感质量评定表7、施工单位资信报验申报表8、施工组织设计/方案报审表9、材料(构配件)、设备进场使用报验单10、工序质量报验单11、暗龙骨吊顶分项工程检验批质量验收记录TJ12、一般抹灰分项工程检验批质量验收记录TJ13、窗帘盒、窗台板和散热器制作与安装分项工程检验批质量验收记录TJ14、门窗套制作与安装分项工程检验批质量验收记录TJ15、木门窗制作分项工程检验批质量验收记录TJ16、木门窗安装分项工程检验批质量验收记录TJ17、橱柜制作与安装分项工程检验批质量验收记录TJ18、饰面砖粘贴分项工程检验批质量验收记录TJ19、砖面层分项工程检验批质量验收记录TJ20、饰面板安装分项工程检验批质量验收记录TJ.3321、门窗玻璃安装分项工程检验批质量验收记录TJ22、水性涂料涂饰分项工程检验批质量验收记录TJ23、中密度(强化)复合地板面层、竹地板面层分项工程检验批质量验收记录TJ24、溶剂性涂料涂饰分项工程检验批质量验收记录TJ25、裱糊分项工程检验批质量验收记录TJ26、活动地板、地毯面层分项工程检验批质量验收记录TJ27、实木地板面层、实木复合地板面层分项工程检验批质量验收记录TJ28、砖砌体分项工程检验批质量验收记录TJ29、隐蔽工程验收记录统表30、厕所、厨房、阳台等有防水要求的地面淋水、蓄水试验记录TJ3.331、工程签证单/隐蔽工程验收单32、竣工验收报告A1工程开工申请表工程名称:编号:A1-致:(监理单位)我单位承担的工程/分包工程的准备工作已完成,并已报验通过下列内容:□工程施工组织设计(A3.11-)工程用材料和设备(A3.21-、A3.22-、A3.23-)□施工用大型机械设备(A3.14-)□首道工序的分项施工方案(A3.12-)□施工测量(A3.5-)□申请于年月日开工,请核准。附件:1、项目经理部到岗人员情况一览表及有关证件。2、进场材料、设备名称、数量、规格、性能一览表。3、工长与特殊工种的姓名、职称、上岗证一览表及有关证件。4、施工合同对以上3条内容的对应要求。施工项目经理部(章):项目经理:日期:监理签收人姓名及时间施工签收人姓名及时间监理审核意见:□同意。□不同意。总监理工程师:时间:注:1、施工项目经理部应提前48小时提出本申请表。2、建设单位应已取得由建设行政主管部门核发的建筑工程施工许可证。江苏省建设厅监制开工报告TJ1.6建设单位:工程名称工程地点施工单位监理单位建筑面积m2结构层次中标价格万元承包方式定额工期天计划开工日期计划竣工日期合同编号说明上述准备工作已就绪,定于年月日正式开工,希建设(监理)单位于前进行审核,特此报告。施工单位:项目经理:(公章)年月日审核意见:总监理工程师(建设单位项目负责人):(公章)年月日A2.1工程进度计划报审表工程名称:编号:A2.1-致:兹报验年月日至年月日的:□1工程总进度计划。□2工程月进度计划。请予核查附件:1、上次进度计划执行情况分析共页。2、本次进度计划的示意图表、说明书共页。施工单位项目经理部(章):项目经理:日期:监理签收人姓名及时间施工签收人姓名及时间监理意见:□同意。□不同意。总监理工程师:时间:注:施工项目经理部应提前5日提出本申报表(月进度计划为每月25日申报),并同时提供劳动力安排和材料、设备进场计划。装饰分部工程质量验收记录TJ工程名称结构类型层数施工单位技术部门负责人质量部门负责人分包单位分包单位负责人分包技术负责人序号子分项工程名称检验批数施工单位检查评定验收意见质量控制资料安全和功能检验(检测)报告观感质量验收验收单位分包单位项目经理年月日施工单位项目经理年月日监理(建设单位)总监理工程师(建设单位项目专业负责人)年月日单位(子单位)工程质量竣工验收记录TJ工程名称结构类型层数/建筑面积施工单位技术负责人开工日期项目经理项目技术负责人竣工日期序号项目验收记录验收结论1分部工程共分部,经查分部符合标准及设计要求分部2质量控制资料核查共项,经审查符合要求项经核定符合规范要注项3安全和主要使用功能核查及抽查结果共核查项,符合要求项,共抽查项,符合要求项,经返工处理符合要求项4观感质量验收共抽查项,符合要求项,不符合要求项5综合验收结论参加验收